86-0755-27838351

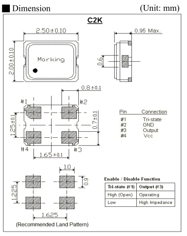
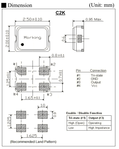
頻率:32.768KHZ
尺寸:2.5*2.0mm
ITTI晶振,C2K晶振,智能手機晶振,C2KC20-32.768-15-3.3V晶振
ITTI抱著簡單而創新的宗旨,為各客戶提供優質,經濟的石英晶振,更希望成為各位客戶之長遠合作伙伴; 擁有全面,先進之石英晶體振蕩器,包括,晶體濾波器(Crystal Filter)、陶瓷諧振器(Ceramic Resonator) 與及其他最先進之晶體振蕩器(Crystal Oscillator),溫補振蕩器,壓控振蕩器,有源晶振,石英晶體諧振器等產品。我們擁有可媲美世界一級水平之能力及資源。ITTI是一間總部設于美國的跨國公司,同時亦承諾為客戶提供優質的服務。由于客戶已經不斷將他們的企業計劃轉移至亞洲地區,有見及此,管理層決定于2000年在香港設立地區總部,并引領專業的團體在管理、工程、營銷和銷售提供更好的服務給客戶。過后,我們亦在韓國,中國大陸和臺灣地區設置銷售辦事處,使我們與客戶及市場拉近距離,并且更能了解到客戶的需求和期望,從而建立了一個更穩固的良好關系。透過深入了解,ITTI通過其科研,品質控制,生產的深入認知及專業見解,ITTI令到每個生產基地都善用資源,而借此提高及供應最優質之產品,透過與生產線人員之緊密聯系,ITTI晶振往往能夠為各位客戶生產其滿意之產品,也正是貫徹ITTI營運作風,無論在品質上,經濟上都絕不遜色世界一級之水平。基于前述之種種優勢,ITTI矢志在石英晶體振蕩器行業內創出一番新氣象,希望能夠成為閣下最忠誠的廠商。我們致力為客戶生產質優而價廉之產品及提供完善之服務乃是ITTI一貫之宗旨。
|
ITTI晶振規格 |
單位 |
C2K頻率范圍 |
石英晶振基本條件 |
|
標準頻率 |
f_nom |
32.768KHZ |
標準頻率 |
|
儲存溫度 |
T_stg |
-55°C ~ +125°C |
裸存 |
|
工作溫度 |
T_use |
-40°C ~ +85°C |
標準溫度 |
|
激勵功率 |
DL |
200μW Max. |
推薦:1μW ~ 100μW |
|
頻率公差 |
f_— l |
±50 × 10-6 (標準), |
+25°C 對于超出標準的規格說明, |
|
頻率溫度特征 |
f_tem |
±30 × 10-6/-20°C ~ +70°C |
超出標準的規格請聯系我們. |
|
負載電容 |
CL |
15pF ~ ∞ |
超出標準說明,請聯系我們. |
|
串聯電阻(ESR) |
R1 |
如下表所示 |
-40°C — +85°C, DL = 100μW |
|
頻率老化 |
f_age |
±5 × 10-6 / year Max. |
+25°C,第一年 |
ITTI晶振,C2K晶振,智能手機晶振,C2KC20-32.768-15-3.3V晶振
粘合劑
請勿使用可能導致32.768K晶振所用的封裝材料,終端,組件,玻璃材料以及氣相沉積材料等受到腐蝕的膠粘劑.(比如,氯基膠粘劑可能腐蝕一個晶振單元的金屬“蓋”,從而破壞密封質量,降低性能.)
鹵化合物
請勿在鹵素氣體環境下使用無源晶振.即使少量的鹵素氣體,比如在空氣中的氯氣內或封裝所用金屬部件內,都可能產生腐蝕.同時,請勿使用任何會釋放出鹵素氣體的樹脂.
靜電
過高的靜電可能會損壞石英晶體諧振器,請注意抗靜電條件.請為容器和封裝材料選擇導電材料.在處理的時候,請使用電焊槍和無高電壓泄漏的測量電路,并進行接地操作.
未用輸入終端的處理
未用針腳可能會引起噪聲響應,從而導致32.768KHZ時鐘晶振非正常工作.同時,當P通道和N通道都處于打開時,電源功率消耗也會增加;因此,請將未用輸入終端連接到VCC或GND.
熱影響
重復的溫度巨大變化可能會降低受損害的無源晶振的產品特性,并導致塑料封裝里的線路擊穿.必須避免這種情況.
安裝方向
進口晶振的不正確安裝會導致故障以及崩潰,因此安裝時,請檢查安裝方向是否正確.
通電
不建議從中間電位和/或極快速通電,否則會導致無源晶振無法產生振蕩和/或非正常工作.
電話:+86-0755-278383514
手機:138-2330-0879
QQ:632862232
地址:廣東深圳市寶安寶安大道東95號浙商銀行大廈1905