86-0755-27838351

頻率:4.0MHZ~100.000MHZ
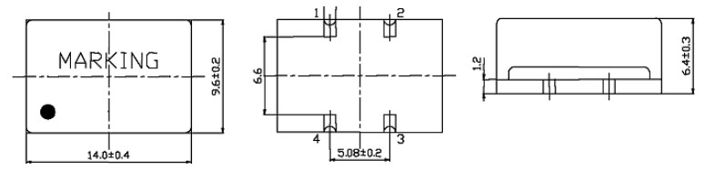
尺寸:14.0*9.6mm
PDI晶振,VC29-3晶振,壓控晶振
壓控晶振(VCXO)壓控晶體振蕩器基本解決方案,PECL輸出,輸出頻率60 MHz到200 MHz之間,出色的低相位噪聲和抖動,三態功能,應用:SDH/ SONET,以太網,基站,筆記本晶振應用,符合RoHS/無鉛
美國PDI頻率控制元器件,主要致力于石英晶振,濾波器等系列產品規格的銷售。頻率控制產品:Crystals 石英晶體, Filter晶體濾波器, XO晶體振蕩器,VCXO壓控晶振, TCXO溫補晶振, OCXO恒溫晶振, TC-OCXO溫補恒溫晶振, XO SMD封裝系列, XO引線式封裝系列, TCXO SMD封裝系列, TCXO引線式封裝系列, OCXO恒溫晶振, OCXO SMD封裝系列, OCXO引線式封裝系列, TCVCXO溫補壓控晶振,石英晶體振蕩器等
無論什么的要求,我們工程師的職員和銷售人員會指引你哪些是正確適合的產品。PDI包涵一大范圍的市場詳細的能力,能提供任何產品的設計分析。我們會持續介紹新產品和技術的特殊包裝和高頻率設計。 歡迎與我們工程師及銷售人聯系。
PDI晶振所制造的頻率控制設備使用在軍事,工業,醫學,航空電子設備和商業的市場。PDI在1989年已經是頻率控制設備的主要供貨商。
|
PARAMETER |
MINIMUM |
MAXIMUM |
UNITS |
|
NOMINAL FREQUENCY (Fo) |
4.0 |
100 |
MHz |
|
CALIBRATION TOLERANCE (With +1.65V on pin 1) |
-10 |
+10 |
ppm |
|
FREQUENCY STABILITY Over Temperature Range (See Note 2) Ageing (per year at +25°C) Over Supply Voltage Variation (Vcc = +3.3V ±5.0%) |
-25 -2.0 -5.0 |
+25 +2.0 +5.0 |
ppm
|
|
OPERATING TEMPERATURE RANGE (See Note 2) |
-20 |
+70 |
°C |
|
STORAGE TEMPERATURE RANGE |
-40 |
+85 |
°C |
|
SUPPLY VOLTAGE (Vcc) (See Note 2) |
+3.135 |
+3.465 |
V |
|
SUPPLY CURRENT (Dependant upon nominal frequency) |
5.0 |
25.0 |
mA |
|
OUTPUT WAVEFORM HCMOS/TTL Logic Levels Duty Cycle (@ Vcc/2) Fall and rise times |
0.1Vcc 40 3 |
0.9Vcc 60 10 |
V % ns |
|
Voltage Control Range +1.65V ±1.5V (Positive polarity) |
±100 |
±200 |
ppm |
|
Linearity |
|
±10 |
% |
|
Input Impedance |
50,000 |
|
W |
|
Modulation Bandwidth |
10 |
|
kHz |
PDI晶振,VC29-3晶振,壓控晶振
熱影響
重復的溫度巨大變化可能會降低受損害的石英晶振產品特性,并導致塑料封裝里的線路擊穿.必須避免這種情況.
安裝方向
晶體振蕩器的不正確安裝會導致故障以及崩潰,因此安裝時,請檢查安裝方向是否正確.
通電
不建議從中間電位和/或極快速通電,否則會導致無法產生振蕩和/或非正常工作.
有源晶振的負載電容與阻抗
負載電容與阻抗有源晶振設置一個規定的負載阻抗值.當一個值除了規定的一個設置為負載阻抗輸出頻率和輸出電平不會滿足時,指定的值這可能會導致問題例如:失真的輸出波形.特別是設置電抗,根據規范的負載阻抗.輸出頻率和輸出電平,當測量輸出頻率或輸出水平,晶體振蕩器調整的輸入阻抗,測量儀器的負載阻抗晶體振蕩器.當輸入阻抗的測量儀器,不同的負載阻抗的晶體振蕩器,測量輸出頻率或輸出水平高,阻抗阻抗測量可以忽略.
抗沖擊
抗沖擊是指晶振產品可能會在某些條件下受到損壞.例如從桌上跌落,摔打,高空拋壓或在貼裝過程中受到沖擊.如果產品已受過沖擊請勿使用.因為無論何種石英晶振,其內部晶片都是貼片晶振制作而成的,高空跌落摔打都會給晶振照成不良影響.
耐焊性:
將晶振加熱包裝材料至+150℃以上會破壞產品特性或損害產品.如需在+150℃以上焊接石英晶振,建議使用有源SMD晶振產品.在下列回流條件下,對石英耐高溫晶振產品甚至晶振使用更高溫度,會破壞晶振特性.建議使用下列配置情況的回流條件.安裝這些貼片晶振之前,應檢查焊接溫度和時間.同時,在安裝條件更改的情況下,請再次進行檢查.如果需要焊接的晶振產品在下列配置條件下進行焊接,請聯系我們以獲取耐熱的相關信息.
電話:+86-0755-278383514
手機:138-2330-0879
QQ:632862232
地址:廣東深圳市寶安寶安大道東95號浙商銀行大廈1905