86-0755-27838351

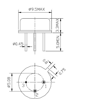
頻率:315MHZ
尺寸:9.5x3.3mm
深圳市康華爾電子有限公司:晶振廠家企業在國內壓電石英晶振行業生產經營二十多年,早期產品基本用于出口,在 2006年轉向國內市場銷售,公司在05年自購土地新建工業園,全線投入貼片晶振自動化生產領域,公司主要生產:石英晶振,貼片晶振, 音叉晶體,32.768K晶振,聲表面諧振器,聲表面濾波器,陶瓷晶振,貼片晶振.并且自主研發生產,陶瓷霧化片,微孔霧化片.公司用于國內外多家知名企業的晶振廠家合作供應,并且與日本幾大進口晶振品牌簽訂 了代理服務.日本進口晶振品牌有:日本大真空晶振,KDS晶振,愛普生晶振,EPSON crystal,西鐵城晶振,CITIZEN crystal,精工晶振,SEIKO crystal,村田振動子,muRata crystal,石英水晶振子,陶瓷振蕩子等晶振.
聲表面濾波器,TO-39濾波器,R315聲表面濾波器,SAW濾波器的主要特點是設計靈活性大、模擬/數字兼容、群延遲時間偏差和頻率選擇性優良(可選頻率范圍為10MHz~3GHz)、輸入輸出阻抗誤差小、傳輸損耗小、抗電磁干擾(EMI)性能好、可靠性高、制作的器件體小量輕,其體積、重量分別是陶瓷介質濾波器的1/40和1/30左右,且能實現多種復雜的功能.SAW濾波器的特征和優點,適應了現代通信系統設備及便攜式電話輕薄短小化和高頻化、數字化、高性能、高可靠等方面的要求.其不足之處是所需基片材料的價格昂貴,對基片的定向、切割、研磨、拋光和制造工藝要求高.
以石英、鈮酸鋰或釬鈦酸鉛等壓電石英晶體為基片,經表面拋光后在其上蒸發一層金屬膜,通過光刻工藝制成兩組具有能量轉換功能的交叉指型的金屬電極,分別稱為輸入叉指換能器和輸出叉指換能器.當輸入叉指換能器接上交流電壓信號時,壓電晶體基片的表面就產生振動,并激發出與外加信號同頻率的聲波,此聲波主要沿著基片的表面的與叉指電極升起的方向傳播,故稱為聲表面濾波器,其中一個方向的聲波被除數吸聲材料吸收,別一方向的聲波則傳送到輸出叉指換能器,被轉換為電信號輸出.
為適應電子整機高頻、寬帶化的要求,SAW濾波器也必須提高工作頻率和拓展帶寬.研究表明,當壓電基材選定之后,SAW濾波器的工作頻率則由IDT電極條寬決定,IDT電極條愈窄,頻率愈高.采用0.35μm~0.2μm級的半導體微細加工工藝,可制作出2GHz~3GHz的SAW濾波器.
拓展SAW濾波器的帶寬通常從優化設計IDT的電極結構入手.如將IDT按串聯和并聯形式連接成梯形若干級聯的結構,輸入/輸出直接實現連接,采用0.4μm以下的微細加工技術,就可制作出用于無線局域網(LAN)的2.5GHz梯形結構諧振式SAW濾波器,帶寬達100MHz;在多重模式濾波器中,采用縱向連接的濾波器帶寬要比橫向耦合型濾波器大一些,因此被廣泛用于電子狗濾波器,蜂窩電話和尋呼機的RF濾波,而后者具有陡削的窄帶特性,可用于個人數字蜂窩(PDC)和模擬電話的中頻(IF)濾波.

電話:+86-0755-278383514
手機:138-2330-0879
QQ:632862232
地址:廣東深圳市寶安寶安大道東95號浙商銀行大廈1905