86-0755-27838351
頻率:24MHZ
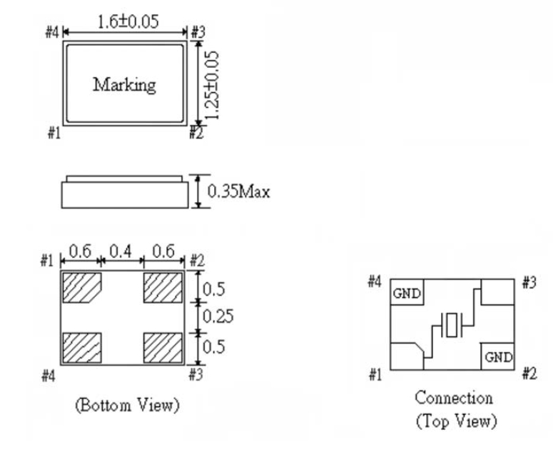
尺寸:1.6*1.2mm
F1612AS‐20‐20‐D‐30‐F‐24.000MHz,6G放大器晶振,進口FCD-Tech晶體,尺寸為1.6*1.2mm,頻率24MHZ,FCD-Tech荷蘭進口晶振,1612mm小尺寸晶振,無源晶體,SMD晶振,貼片石英晶振,水晶振動子,無源貼片晶振,石英晶體諧振器,石英晶體,石英貼片晶體,SMD無源晶振,進口無源晶振,低損耗貼片晶體,高性能石英晶振,高精度石英晶振,高品質貼片晶振,通信應用晶振,可穿戴設備專用晶振,6G放大器專用晶振,物聯網石英晶振,儀器儀表晶振,工業應用晶振,藍牙耳機晶振,貼片晶振產品具備低損耗高精度的特點.超級適合用于高精密應用,也包含通訊產品,可穿戴設備,物聯網,藍牙耳機等領域,并為廣泛應用程序提供完美的解決方案.F1612AS‐20‐20‐D‐30‐F‐24.000MHz,6G放大器晶振,進口FCD-Tech晶體.
F1612AS‐20‐20‐D‐30‐F‐24.000MHz,6G放大器晶振,進口FCD-Tech晶體 參數表
Parameter | min. | typ. | max. | Unit | Condition | |||||||||||
Frequency range | 24 |
|
MHz | |||||||||||||
Vibration mode | AT cut, fundamental | |||||||||||||||
Frequency stability | ||||||||||||||||
Initial tolerance @25°C | ±30 | ppm | See options | |||||||||||||
vs. operating temperature range | ±30 | ppm | See options | |||||||||||||
operating temperature range | ‐10 | +60 | °C | See options | ||||||||||||
Equivalent Series Resistance (ESR) | See table 1 | |||||||||||||||
Load Capacitance (CL) | Series or 8pF to 32pF (See options ) | |||||||||||||||
Shunt Capacitance (Co) | 3.5 | pF | ||||||||||||||
Drive Level | 50 | µW | ||||||||||||||
Aging | ±2 | ppm | At 25°C, first year | |||||||||||||
Insulation Resistance | 500 | MΩ | @ 100Vdc | |||||||||||||
Enclosure (see drawing) (LxWxH) | 1.6 x 1.2 x 0.35 | mm | ||||||||||||||
Soldering Condition | 260°C, 10 sec x 2 max. | |||||||||||||||
Packing | 3,000 pcs./reel |
產品特性:
超小型4焊盤SMD晶振水晶封裝
超薄厚度0.35mm
優異的耐熱性和抗沖擊性
頻率范圍24 MHz-60 MHz(基本模式)
更多相關FCD-Tech荷蘭晶體型號,請咨詢我們!
電話:+86-0755-278383514
手機:138-2330-0879
QQ:632862232
地址:廣東深圳市寶安寶安大道東95號浙商銀行大廈1905